近日,上海市《消防设计案例分册V4.0》重磅公开发布。本次在前版基础上进行了4.0升版修订。4.0版新增了部分新案例,并根据近期国家和本市新发布的通用规范、相关标准和管理文件,结合前版使用过程中遇到的疑问,对前版部分案例问题答复进行了修订,对现行规范、标准已有明确规定的答复进行了精简,对不符合现行规范、标准的内容进行了删减。
注:《消防设施通用规范》GB55036-2022、《建筑防火通用规范》GB55037-2022以及其他强制性工程建设规范实施以后,部分现行工程建设标准相关强制性条文废止。当原标准条文与通用规范不重复、不矛盾或不低于通用规范规定时,保留原条文,但为推荐性条文;当原条文与通用规范矛盾、不一致或低于通用规范规定时,原条文废止。
根据《住房和城乡建设部关于修改〈建设工程消防设计审查验收管理暂行规定〉的决定》(住建部令第58号)、《住房城乡建设部关于修改〈建设工程消防设计审查验收工作细则〉并印发建设工程消防验收备案凭证、告知承诺文书式样的通知》(建科规〔2024〕3号)的相关规定,消防设计文件内容应符合国家工程建设消防技术标准强制性条文规定,应符合国家工程建设消防技术标准中带有“严禁”“必须”“应”“不应”“不得”要求的非强制性条文规定,否则消防设计技术审查结论为不合格。
为了便于强制性工程建设规范实施之前和之后的理解使用,本手册依然保留已废止的强制性条文。请使用者予以注意。
以下摘录电气专业文字版,其他专业点击《消防设计案例分册V4.0》全文查看。
下划线部分为本次修订和新增的内容。前版内容如有与本版不一致的,以本版为准。
电气专业
1
【问题】
某装修项目,共27层的综合楼,原设计有火灾自动报警系统,但没有消防电源监控系统和电气火灾监控系统。现要对第一层、九层、十层进行装修(为办公场所)。在这种情况下,是否要在装修改造范围内增加消防电源监控系统和电气火灾监控系统?
疑问:在装修范围内,只有3个应急照明集中电源箱需要设置消防电源监控,3个楼层配电箱因只改动个别配出回路,不便要求增加电气火灾监控,所以需要设置消防电源监控和电气火灾监控的点位很少,设置后对整个单体的消防安全性提升很有限,但不设置又不满足现行规范要求。是否可以不设置?
【答复】
本案例装修部分的面积小于该单体总建筑面积1/2,参照建筑局部改造工程执行。
装修改造范围内的消防电源监控系统、防火门监控系统的设置可按照原设计标准执行,电气火灾监控设备的设置应按现行标准执行。电气火灾监控的点位很少且原设计无该系统时,建议设置剩余电流动作保护装置或预留接口。
【依据】
《上海市既有建筑改造工程消防技术指南》(沪建质安联〔2024〕37号)。
2
【问题】
大楼只进行几个楼层整体装修,原大楼无集中控制应急照明系统,装修的楼层是否要执行《消防应急照明和疏散指示系统技术标准》GB51309-2018规范,
增加集中控制应急照明系统。
【答复】
装修部分的面积若大于该单体总建筑面积1/2,参照建筑整体改造工程执行;若小于等于该单体总建筑面积1/2,参照建筑局部改造工程执行。
整体改造、局部改造中的整层改造,改造范围内的消防应急照明及疏散指示系统应满足现行技术标准的要求。非整层改造仅涉及末端设备调整时,消防应急照明及疏散指示系统的型式可维持不变,但灯具的选择、布置及管线等应按现行标准执行。
【依据】
《上海市既有建筑改造工程消防技术指南》(沪建质安联〔2024〕37号)。
3
【问题】
配变电所或低压总配电间采用放射式供电至消防设备,其配电回路断路器采用何种脱扣器比较合适?
【答复】
配变电所或低压总配电间消防配电回路断路器的脱扣器可选择以下方案中的一种:
1、长延时过电流脱扣器+瞬时脱扣器。长延时过电流脱扣器(过负荷保护)动作后,作用于信号报警,不应切断电源。
2、瞬时脱扣器。
【依据】
《建筑电气与智能化通用规范》GB55024-2022第4.3.7条。
《民用建筑电气防火设计标准》DG/TJ08-2048-2024第6.1.2、6.2.6条。
4
【问题】
应急照明箱能否为火灾报警系统联动的防火卷帘门供电?能否为消防阀门供电?是否除了应急照明、疏散照明其他负荷均不可以接入?
【答复】
为应急照明配电箱或应急照明集中电源供电的双电源自动切换箱(同一防火
分区内)、配电箱(消防用电设备为三级负荷时)可以。为自带电源型消防应急灯具供电的应急照明配电箱不可以。
5
【问题】
《建筑设计防火规范》GB50016-2014(2018年版)第10.1.8条:消防控制室、消防水泵房、防烟和排烟机房的消防用电设备及消防电梯等的供电,应在其配电线路的最末一级配电箱处设置自动切换装置。
问:在一部分设计图纸中,消防水泵房设置了双电源切换箱,由双切箱再放射式供电给消火栓泵配电箱和喷淋泵配电箱,这样的供电方式是否符合此条规范
要求的末端切换?
【答复】
可以。
【依据】
《建筑防火通用规范》GB55037-2022第10.1.6条。
6
【问题】
《消防给水及消火栓系统技术规范》GB50974-2014第11.0.18条:消防水泵控制柜应具有自动巡检可调、显示巡检状态和信号等功能。《民用建筑电气设计标准》GB51348-2019第13.7.7条:民用建筑内的消防水泵不宜设置自动巡检装置。不同专业规范矛盾时,应如何把握?
【答复】
在加强人员管理的前提下,民用建筑可不设置自动巡检装置;特殊工程(如电业项目)有其行业规定,需要设置自动巡检装置时,可从其行业规定。
【依据】
《民用建筑电气设计标准》GB51348-2019第13.7.7条及条文说明、13.7.6条及条文说明。
7
【问题】
大容量的消防水泵、消防风机的起动方式,是采用全压起动、还是降压起动?【答复】
当电动机起动时配电母线上的电压波动符合规定、且不影响其他负荷正常运行时,应采用全压起动,具体要求详见《民用建筑电气设计标准》GB51348-2019第9.2.7条、《通用用电设备配电设计规范》GB50055-2011第2.2.3条。
可供参考的方案:当单台设备容量小于电源(变压器)容量10%时,应采用直接启动。
【依据】
《民用建筑电气设计标准》GB51348-2019第9.2.7条。
《通用用电设备配电设计规范》GB50055-2011第2.2.3条。
《消防给水及消火栓系统技术规范》GB50974-2014第11.0.14条。
8
【问题】
某项目消控中心多线盘启动喷淋泵(或消火栓泵)仅设一个主泵启停按钮,未设备用泵按钮,是否可行?是否需要通过专线主泵设一个启停按钮、备用泵设一个启停按钮?
【答复】
可以只设一组启、停按钮,详见图集16D303-3《常用水泵控制电路图》。
【依据】
图集16D303-3《常用水泵控制电路图》。
9
【问题】
消防控制室、消防水泵房、防排烟机房等消防设备等房间的插座、排风机及空调电源是否可以从机房配套的消防配电箱引出电源回路?
【答复】
《城市综合体消防技术标准》DG/TJ08-2408-2022第8.3.10条:消防用电设备应采用专用回路供电,消防设备用房内消防附属用电设备的电源宜引自消防设
备配电箱。该条条文说明中提到:消防电梯机房的插座、井道照明、排气扇等,消防水箱间内排气扇、消毒器等,消防水泵房的排水泵、消防管道的电伴热装置、部分灭火系统防护区的自动关闭装置也可就近接入主设备供电的消防设备配电箱。消防安保控制中心的智能化设备用电、照明、插座、空调等可与消防设备共同按照消防设备要求配电。
消防设备用房内插座、排风机及空调电源,可引自机房内的消防配电箱。
【依据】
《城市综合体消防技术标准》DG/TJ08-2408-2022第8.3.10条。
10
【问题】
消防泵房内的送排风机的配电,部分观点认为属于消防设备,需要采用消防电源,部分观点认为不属于消防设备,不能采用消防电源。
【答复】
消防泵房内的送排风机属于消防附属用电设备,可以由该泵房内的消防配电箱供电。在上一个案例中已有详细论述。
【依据】
《城市综合体消防技术标准》DGTJ08-2408-2022第8.3.10条。
11
【问题】
室外采用直埋的10kV~35kV电缆(直接直埋至贴近建筑外墙的变电所内),仅采用耐火电缆,未采用矿物绝缘,是否判定违规?
【答复】
室外直埋敷设的电缆没有燃烧条件,可采用普通铠装电缆,不宜采用矿物绝缘电缆。
【依据】
《民用建筑电气设计标准》GB51348-2019第8.7.2条。
《民用建筑电气防火设计标准》DG/TJ08-2048-2024第8.1.6条。
12
【问题】
消防水泵房与变电所位于两个不同建筑内,消防水泵房电源由变电所供电的低压消防电缆采用室外埋地敷设引来,消防救灾设备的持续工作时间大于90分钟时,此段电缆是否需要采用矿物绝缘电缆?电缆的室外和室内布线是否需要统一电缆规格?
【答复】
室外埋地敷设的电缆可采用普通(铠装)电缆,室外和室内布线的电缆型号规格应依据项目实际情况确定。
【依据】
《民用建筑电气防火设计标准》DG/TJ08-2048-2024第8.1.6条。
13
【问题】
消防配电线路采用防火保护措施的封闭式金属槽盒单独敷设时,消防线路是否可采用有机耐火电缆(耐火时间1.50h)+耐火处理的封闭式金属槽盒(耐火时间1.50h)来满足火灾延续时间内为消防用电设备连续供电的需要?
【答复】
《民用建筑电气设计标准》GB51348-2019第13.8.4条编制组的答疑:关于有机绝缘耐火电缆和耐火槽盒组合的耐火性能试验来看,其耐火性能优于矿物绝缘类耐火电缆。因试验还在进行中,不便将数据提前公布。
采用有机绝缘耐火电缆和封闭式耐火金属槽盒的组合型式,目前还无相关数据可以证明是否能满足火灾延续时间要求。不建议采用“防火保护措施的封闭式金属槽盒”。消防配电线路应符合《建筑防火通用规范》GB55037-2022第10.1.7条、《民用建筑电气防火设计标准》DG/TJ08-2048-2024第8.3.2条规定。
【依据】
《建筑防火通用规范》GB55037-2022第10.1.7条。
《民用建筑电气防火设计标准》DG/TJ08-2048-2024第8.3.2条规定。
14
【问题】
对于设置在各楼层的防排烟风机是否可以采用由变电所或总配电室树干式供电?
【答复】
可以。当各楼层的防排烟风机采用由变电所或总配电室树干式供电,且在其配电线路的最末一级配电箱内或所在防火分区的配电箱内设置自动切换装置,则满足规范要求。
【依据】
《建筑防火通用规范》GB55037-2022第10.1.6条。
15
【问题】
住宅一个单元内设有两台消防电梯,电梯分设在楼梯两侧(中间以楼梯相隔),且两台消防电梯各有独立机房。在此情况下,能否仅在其中一个电梯机房内设置消防电梯双切箱,由该双切箱同时为两个机房的电梯控制箱、井道照明等供电?
【答复】
两台消防电梯各有独立机房,不可以由一台双切箱同时为两个机房的消防电梯供电。《建筑防火通用规范》GB55037-2022第10.1.6条规定,消防电梯应在最末一级配电箱内设置自动切换装置。条文说明中明确:本条规定的最末一级配电箱,为消防电梯处的最末级配电箱。
【依据】
《建筑防火通用规范》GB55037-2022第10.1.6条。
16
【问题】
《建筑防火通用规范》GB55037-2022第10.1.6条:“防火卷帘、电动排烟窗、消防潜污泵、消防应急照明和疏散指示标志等的供电,应在所在防火分区的配电箱内设置自动切换装置。”
住宅单元楼每层疏散照明、疏散指示标志灯的数量不多,多数情况每层只有
两盏,是否仍需按条文要求,每层(每个防火分区)均设置双电源自动切换装置?【答复】
图集19D702-7《应急照明设计与安装》第16页图示,当采用消防专用应急回路沿电气竖井给竖井内的分区集中电源供电,可以等同于同一防火分区内的楼层消防电源配电箱供电。同时,结合图集第70页图示,在住宅建筑中,从集中电源应急照明配电箱可以给多个楼层供电。
住宅楼无需在每层(每个防火分区)设置双电源切换箱。
【依据】
《建筑防火通用规范》GB55037-2022第10.1.6条。
《消防应急照明和疏散指示系统技术标准》GB51309-2018。
图集19D702-7《应急照明设计与安装》。
17
【问题】
办公楼楼层挡烟垂壁控制箱、应急照明集中电源等设备的供电电源是否可由其余楼层内消防配电箱沿竖井引来?即当消防电源配电箱设在电气竖井内时,其配出线路是否可在电气竖井内垂直敷设,为不同楼层消防设备供电?
【答复】
办公楼应急照明集中电源设置在电气竖井内时,其供电电源可由其他楼层内的消防双电源自动切换箱沿该竖井引来,详见《民用建筑电气防火设计标准》
DG/TJ08-2048-2024第4.4.4条。对于挡烟垂壁等其他消防设备的供电,应符合《建筑防火通用规范》GB55037-2022第10.1.6条规定。
【依据】
《建筑防火通用规范》GB55037-2022第10.1.6条。
《民用建筑电气防火设计标准》DG/TJ08-2048-2024第4.4.4条。
18
【问题】
应急照明集中电源是否可以设置于消防排烟机房内?
【答复】
依据《消防应急照明和疏散指示系统技术标准》GB51309-2018第3.3.8-2条,应急照明集中电源应设置在消防控制室、低压配电室、配电间内或电气竖井内。当区域内没有消防控制室、低压配电室、配电间、电气竖井时,可考虑设置于消防排烟机房内。此时如果防排烟机房内设有自动喷水灭火系统,则设置在该机房内的应急照明集中电源防护等级不应低于IP65。
【依据】
《建筑防火通用规范》GB55037-2022第4.1.3条。
《消防应急照明和疏散指示系统技术标准》GB51309-2018第3.3.8条。
《建筑防排烟系统设计标准》DG/TJ08-88-2021第3.3.5条。
19
【问题】
110千伏变电站内110kVGIS室、10kV配电装置室、二次设备室站用变压器室、电容器室除设置疏散照明和疏散指示标志外,是否要设置消防备用照明?
【答复】
1、《建筑设计防火规范》GB50016-2014(2018年版)不适用于110千伏变电站,应按规范《火力发电厂与变电站设计防火标准》GB50229-2019、《35kV~110kV变电站设计规范》GB50059-2011设计。
2、110kVGIS室、10kV配电装置室、二次设备室、站用变压器室、电容器室除设置疏散照明和疏散指示标志外,应设置备用照明。
3、备用照明灯具可采用正常照明灯具,在火灾时应保持正常的照度。
4、考虑到110千伏变电站内的工作照明电源来自于站内配电屏,配电屏已采用双电源供电,因此符合消防备用照明的规定。
【依据】
《火力发电厂与变电站设计防火标准》GB50229-2019第11.7.2条。
《消防应急照明和疏散指示系统技术标准》GB51309-2018第3.8.2-1条。
20
【问题】
《消防应急照明和疏散指示系统技术标准》GB51309-2018第3.8.1条:“避难间(层)及配电室、消防控制室、消防水泵房、自备发电机房等发生火灾时仍需工作、值守的区域应同时设置备用照明、疏散照明和疏散指示标志”,此条文中的“配电室”是指变电站还是所有的配电间均属于该范畴,如住宅底部配电间,防排烟机房在此条文中未列出,是否也需要设置疏散照明?
【答复】
配电室是指变电站、配电间。防排烟机房无需设置疏散照明和疏散指示标志。【依据】
《建筑防火通用规范》GB55037-2022第10.1.11条。
21
【问题】
《消防应急照明和疏散指示系统技术标准》GB51309-2018第3.1.6条:住宅建筑中,当灯具采用自带蓄电池供电方式时,消防应急照明可以兼做日常照明。如果住宅应急疏散照明采用集中电源系统时,是否允许消防应急照明兼做日常照明?
【答复】
在满足正常照明照度情况下,住宅建筑的消防应急照明可以兼做日常照明。但需注意,疏散走道、疏散楼梯间的疏散照明地面最低水平照度分别为不低于3Lx、10Lx,而住宅建筑的走道、楼梯间正常(日常)照明照度为不低于100Lx,二者差距较大。
【依据】
《建筑防火通用规范》GB55037-2022第10.1.10条。
《建筑照明设计标准》GB/T50034-2024第5.2.1条。
22
【问题】
《消防应急照明和疏散指示系统技术标准》GB51309-2018第3.2.9.1-3条:
方向标志灯的标志面与疏散方向平行时,灯具的设置间距不应大于10m。对于工业厂房,其柱距经常大于10m,不方便按不大于10m的原则设置方向标志灯,考虑到此类灯具尽量安装在低处有利于烟雾时的疏散指引,是否可结合工业厂房特点,按柱距设置方向标志灯?
【答复】
当其柱距大于10m,在确定工业厂房的工艺要求后,结合项目实际情况,除柱上低位安装方向标志灯外,还应增加吊杆(或立柱)安装方向标志灯,或者采用加强疏散照明的措施弥补。开敞空间场所疏散通道方向标志灯的设置要求详见《消防应急照明和疏散指示系统技术标准》GB51309-2018第3.2.9-2条。
【依据】
《消防应急照明和疏散指示系统技术标准》GB51309-2018第3.2.9条。
23
【问题】
足浴店等休闲场所,是否每个包间均应设置应急照明灯?
【答复】
《消防应急照明和疏散指示系统技术标准》GB51309-2018表3.2.5中,建筑面积大于200m²的营业厅,不应低于3.0lx。《民用建筑电气设计标准》
GB51348-2019第13.2.3-2条:室内最远点至通向疏散走道的门直线距离超过15m的场所,应设置安全出口疏散指示标志灯。因此,面积大于200m²的单个包间,应设置疏散照明。包间室内最远点至疏散门直线距离超过15m时,应设置出口标志灯。无自然采光的包间应设置疏散照明。若包间设在地下室且面积大于100㎡,房间出口处应设置出口标志灯。
【依据】
《消防应急照明和疏散指示系统技术标准》GB51309-2018第3.2.5条。
《民用建筑电气设计标准》GB51348-2019第13.2.3条。
《民用建筑电气防火设计标准》DG/TJ08-2048-2024第7.2.3条。
24
【问题】
地下车库汽车坡道是否需设置应急照明?
【答复】
地下车库汽车坡道不用于人员疏散,也不属于《消防应急照明和疏散指示系统技术标准》GB51309-2018表3.2.5所列的设置部位或场所。现行规范未要求汽车坡道需设置用于人员疏散的消防应急照明和疏散指示标志灯。但考虑到,突然火灾正常照明被切除时,可能会有人正好位于汽车坡道上。故建议汽车坡道设置应急照明灯(不设置疏散指示标志灯),满足地面水平最低照度值。
【依据】
《车库建筑设计规范》JGJ100-2015第4.2.8条。
25
【问题】
《消防应急照明和疏散指示系统技术标准》GB51309-2018第3.7.3条:“火灾确认后,应能手动控制系统的应急启动;设置区域火灾报警系统的场所,尚应能自动控制系统的应急启动。”
多层的非集中控制型疏散应急照明系统,火灾时,手动控制应急启动装置的设置位置规范没有明确规定,具体该如何实施?
【答复】
《消防应急照明和疏散指示系统技术标准》GB51309-2018条文,及图集
19D702-7《应急照明设计与安装》第14页图示,仅提出了需要设置手动应急启动装置控制原则。手动启动装置可安装在人员方便操作的地方,也可在值班室远程控制。
【依据】
《消防应急照明和疏散指示系统技术标准》GB51309-2018第3.7.3条。
图集19D702-7《应急照明设计与安装》。
26
【问题】
二层、三层疏散用的室外上人平台,以及疏散用的下沉式广场(平台),是否应设置疏散照明、疏散指示标志灯?疏散楼梯(大平台台阶)是否设置疏散照明?
【答复】
应设置。如果不设置疏散照明灯,将不能确保这些疏散路径在夜间的地面最低水平照度满足《建筑防火通用规范》GB55037-2022第10.1.10条的要求。
【依据】
《建筑防火通用规范》GB55037-2022第10.1.8、10.1.9、10.1.10条。
27
【问题】
《建筑设计防火规范》GB50016-2014(2018年版)第8.4.1-13条,未写明“喷淋系统”,是否可以理解为可以不设置火灾报警系统?
【答复】
自动喷水灭火系统中的湿式系统,不属于《建筑设计防火规范》GB50016-2014(2018年版)第8.4.1-13条中提及的系统,故“湿式系统”不能作为是否需要设置火灾自动报警系统的判定条件。当符合其他判定条件时,应设置火灾自动报警系统。
【依据】
《建筑设计防火规范》GB50016-2014(2018年版)第8.4.1-13条。
28
【问题】
《民用建筑电气设计标准》GB51348-2019第13.3.2-1条中,当住宅公共门厅无人值班时,需要在住宅公共门厅设置区域火灾报警控制器?
【答复】
《火灾自动报警系统设计规范》及《建筑设计防火规范》中的相关篇章,对该问题都没有要求。同时,考虑到区域报警控制器尺寸较大,且做为重要的消防控制设备,明露在公共区域无法确保得到可靠的成品保护。
建议对于设有火灾自动报警系统、且门厅无人值班的住宅建筑,每个单元在首层设置区域显示器。如设置区域报警控制器,可设置在首层电井内。
【依据】
《民用建筑电气设计标准》GB51348-2019第13.3.2条。
《火灾自动报警系统设计规范》GB50116-2013。
29
【问题】
《消防设施通用规范》GB55036-2022第12.0.4条:“火灾自动报警系统总线上应设置总线短路隔离器,每只总线短路隔离器保护的火灾探测器、手动火灾报警按钮和模块等设备的总数不应大于32点。总线在穿越防火分区处应设置总线短路隔离器。”
火灾自动报警系统设计中,系统总线进入本层楼梯间是否属于穿越防火分区,是否需要设置短路隔离器?
【答复】
若建筑专业未将楼梯间单独划分为一个防火分区,则系统总线进入本层楼梯间不属于穿越防火分区,可不设置短路隔离器。
【依据】
《消防设施通用规范》GB55036-2022第12.0.4条。
《建筑防火通用规范》GB55037-2022第4.1.2-2条。
30
【问题】
消防水炮控制器现场手动操作处是否需要设置消防专用电话分机?
【答复】
消防水炮控制器现场手动操作处属于灭火控制系统操作装置处,应设置消防专用电话分机。
【依据】
《火灾自动报警系统设计规范》GB50116-2013第6.7.4条。
31
【问题】
火灾自动报警系统中,关于加压送风口和加压送风机联动控制、常闭排烟阀或排烟口、排烟风机、补风机的联动控制,《建筑防烟排烟系统技术标准》
GB51251-2017第5.1.2-4、5.2.2-4、5.2.2-5条等有相关规定。在实际设计中,可否执行《火灾自动报警系统设计规范》GB50116-2013第4.5.1-1、4.5.2-2条等相关规定?
【答复】
根据《建筑防烟排烟系统技术标准》GB51251-2017第5.1.1条,应以《火灾自动报警系统设计规范》GB50116-2013的相关规定为准执行。
【依据】
《建筑防烟排烟系统技术标准》GB51251-2017第5.1.1条。
应急管理部四川消防研究所《关于咨询<建筑防烟排烟系统技术标准>》的复函(2018年11月7日)。
32
【问题】
排烟防火阀应具有在280℃时自行关闭和联锁关闭相应排烟风机、补风机的功能,是否可以通过火灾自动报警系统实现?还是需要独立一套系统?
【答复】
排烟防火阀在280℃时自行关闭,联锁关闭相应排烟风机、补风机的功能,可以通过火灾自动报警系统来实现,也可以独立设置一套系统。
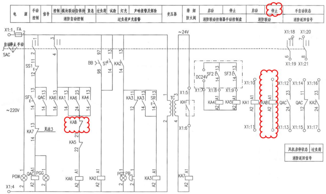
排烟防火阀关闭排烟风机的控制流程,与其设置部位、系统所带的防烟分区数量等相关。当一套排烟系统带有2个及以上防烟分区时,不是所有的排烟防火阀,只要280℃时一关闭,就要联锁关闭相应的排烟风机、补风机。以下排烟风机控制原理图,通过火灾自动报警系统来实现多个防烟分区的排烟防火阀与风机之间的联锁控制功能,供参考:

该控制原理图在《常用风机控制电路图》16D303-2“排烟(加压送风)风机电路图XKY(J)F-1”的基础上,增加了消防联动停止排烟风机的功能(图中用云线圈出)。排烟风机入口处的总管上设置的280℃阀在关闭后直接控制风机停止,其他的排烟防火阀通过模块接入火灾自动报警系统,由联动控制器来联锁控制排烟风机。
【依据】
《火灾自动报警系统设计规范》GB50116-2013第4.5.2、4.5.5条。
33
【问题】
消火栓按钮联动启泵功能:是否可以采用1只探测器加1个消火栓按钮形式2点进行联动?
【答复】
规范条文中没有要求“采用1只探测器加1个消火栓按钮形式2点进行联动”。消火栓按钮的动作信号作为报警信号及启动消火栓泵的联动触发信号,由消防联动控制器启动消火栓泵。图集14DX505-1《火灾自动报警系统设计规范》“湿式消火栓系统联动控制图示”(第28页)可供参考。
【依据】
《火灾自动报警系统设计规范》GB50116-2013第4.3.1条。
34
【问题】
《火灾自动报警系统设计规范》GB50116-2013第11.2.3条,线路敷设要求中未提及明敷线路要涂防火涂料,请问明敷线路采用金属管、可挠金属管或金属封闭线槽保护时,是否要涂防火涂料?
【答复】
火灾自动报警系统的供电线路、联动控制线路应采用耐火电线电缆,穿金属管或采用封闭式金属槽盒保护,明敷的金属管、封闭线槽不需要涂防火涂料。
【依据】
《民用建筑电气设计标准》GB51348-2019第13.8.4条及条文说明。
《建筑电气与智能化通用规范》GB55024-2022第6.2.5条。
35
【问题】
消防设施物联网系统在当前设计中如何落实?
【答复】
设有火灾自动报警系统、固定灭火系统和防烟排烟系统等消防设施的单位,应按照《消防设施物联网系统技术标准》DG/TJ08-2251-2018要求设置消防设施物联网系统,并将监控信息实时传输至本市消防大数据应用平台,确保数据的真实性和完整性。系统联网步骤详见相关部门要求。
【依据】
《上海市消防条例》(2023版)第二十四条。
《上海市建筑消防设施管理规定》(2022)第十一条。
《消防设施物联网系统技术标准》DG/TJ08-2251-2018。
36
【问题】
《建筑设计防火规范》GB50016-2014(2018年版)第10.3.1-5条:人员密
集的厂房内的生产场所及疏散走道。此条文中的“人员密集的厂房”应该如何界定?
【答复】
《中华人民共和国消防法》第七十三条规定,劳动密集型企业的生产加工车间属于人员密集的厂房。
《重大火灾隐患判定规则》GB35181-2025第3.7条,劳动密集型企业:生产厂房或仓库具有丙类火灾危险性,且同一时间的生产、作业人数超过50人,人均建筑面积小于20㎡的生产制造类企业或具有分拣、加工、包装作业功能的仓储物流类企业。
【依据】
《中华人民共和国消防法》第七十三条。
《重大火灾隐患判定规则》GB35181-2025。
37
【问题】
工业与民用建筑中的柴油发电机房及储油间是否属于爆炸危险环境,是否需要按照爆炸危险环境进行电气设计?如不需进行防爆设计,个别情况暖通专业提出设置事故通风,电气如何操作?
【答复】
《建筑设计防火规范》GB50016-2014(2018年版)的第5.4.13条文说明:
由于部分柴油的闪点可能低于60℃,因此,需要设置在建筑内的柴油的闪点不应低于60℃。如果满足了规范条文说明的要求,柴油的闪点不低于60℃,则此类柴油属于丙类液体,其柴油发电机房及储油间不属于爆炸危险环境或场所,可以不需要按照爆炸危险环境进行设计。
《人民防空工程设计防火规范》GB50098-2009第8.3.1条:柴油发电机房的储油间、蓄电池室等房间应采用密闭型灯具。但是《上海市人民防室工程施工图技术性专项审查指引》(上海市国防动员办公室2023年8月出版)要求:处于易燃易爆场所(储油间)的电气设备按爆炸危险环境下相关规范配置防爆灯具和开关,敷设管线应符合防爆要求。审查指引显然比国标提高了标准。因此本市人
防工程的柴油发电机房的储油间的电气设计按照爆炸危险环境进行,其他工程的柴油发电机房的储油间可采用密闭型灯具。
【依据】
《建筑防火通用规范》GB55037-2022第4.1.5条。
38
【问题】
关于《建筑设计防火规范》GB50016-2014(2018年版)第10.3.3、6.2.7条和《民用建筑设计统一标准》GB50352-2019第8.3.5-3条。电井的检修门按丙级防火门,配电间的门按乙级防火门配置。是否要求电井的检修门按配电间的配置?
另,《民用建筑设计统一标准》GB50352-2019第8.3.5条中,已取消了电井内设置应急照明的规定,按《建筑设计防火规范》GB50016-2014(2018年版)中配电间应设置消防备用照明。应如何确定?
【答复】
应依据火灾时消防备用电源的供电时间,以及是否需要人员现场操作等因素,和建筑专业共同确定。
1、火灾时需要人员到现场手动操作的配电(控制)箱,不应设置在电井内,应将此配电(控制)箱的场所定义为“配电间”,同时该“配电间”的防火分隔、备用照明应符合《建筑防火通用规范》GB55037-2022第4.1.3、10.1.11条规定。
2、火灾时不需要人员到现场手动操作的配电(控制)箱,可设置在电井内。
(1)、电井内未设置消防应急照明配电箱、集中电源、消防配电(控制)箱的,见本问题的答复3。
(2)、电井内设置有消防应急照明配电箱、集中电源、消防配电(控制)箱的,此时电井的防火分隔应满足这些配电(控制)箱连续供电时间的需要,连续供电时间详见《建筑防火通用规范》GB55037-2022第10.1.4、10.1.5、6.4.4条规定。
举例:建筑高度不大于100m,且总建筑面积不大于10万m²、建筑体积不大于10万m³的办公楼。若电井内只有消防应急照明和灯光疏散指示标志的配电箱、
集中电源,依据《建筑防火通用规范》GB55037-2022第10.1.4条,消防应急照明备用电源连续供电时间为1.0h,则电井的检修门应采用乙级防火门;若电井内有消防用电设备的配电(控制)箱,依据《建筑防火通用规范》GB55037-2022第10.1.5条,备用消防电源的供电时间为3.0小时,则电井的检修门应采用甲级防火门。
3、电井的检修门应符合《建筑防火通用规范》GB55037-2022第6.4.4条规定。
【依据】
《建筑防火通用规范》GB55037-2022第6.4.4、10.1.4、10.1.5条。
《民用建筑电气防火设计标准》DG/TJ08-2048-2024第5.3.2条及条文说明。
39
【问题】
配电间、电气竖井的照明是否由消防电源供电?
【答复】
配电间应设备用照明,由消防电源供电。“电气竖井的照明是否由消防电源供电”的具体分析如下:
1、已废止的《民用建筑设计通则》GB50352-2005第8.3.5(3)条(款)规定:“电气竖井、智能化系统竖井内宜预留电源插座,应设应急照明灯,控制开关宜安装在竖井外。”。该《通则》已于2019年10月1日被《民用建筑设计统一标准》GB50352-2019废止。《民用建筑设计统一标准》GB50352-2019中,没有对电气竖井、智能化系统竖井的照明做出规定。
2、有关“备用照明”的术语:
《建筑照明设计标准》GB/T50034-2024:备用照明是用于确保正常活动继续进行所设置的照明。
《消防应急照明和疏散指示系统技术标准》GB51309-2018:消防应急照明和疏散指示系统是为人员疏散和发生火灾时仍需工作的场所提供照明和疏散指示的系统,包括疏散照明、疏散指示标志、备用照明。消防应急灯具是为人员疏散、消防作业提供照明和指示标志的各类灯具,包括消防应急照明灯具和消防应急标志灯具。
《应急照明》GB/T42824-2023:备用照明是应急照明的一部分,为使正常活动能够继续进行而提供的照明。
3、基于上述,应从电气竖井是否属于火灾时人员仍需工作的场所来判断是否要设置备用照明:
(1)、火灾有可能需要人员到竖井工作(比如:竖井内安装了消防风机控制箱、非集中控制型应急照明集中电源、非集中控制型应急照明配电箱),则电气竖井应设置备用照明,由消防电源供电。
(2)、火灾时不需要人员到现场工作的竖井,其照明不属于备用照明,不应由消防电源供电。
【依据】
《建筑防火通用规范》GB55037-2022第10.1.11条。
《建筑照明设计标准》GB/T50034-2024。
《消防应急照明和疏散指示系统技术标准》GB51309-2018。
40
【问题】
《洁净厂房设计规范》GB50073-2013第9.2.6条要求“在专用消防口处应设置疏散标志。”按照《建筑防火通用规范》GB55037-2022第2.2.3条第5款“消防救援口应设置可在室内和室外识别的永久性明显标志”的规定,是否可以理解为在专用消防口处设置的疏散标志在室内和室外均应设置?
【答复】
《〈建筑防火通用规范〉GB55037-2022实施指南》第40页:建筑设置的消防救援口或兼做消防救援口的外门、外窗,均应在建筑的内部和外部相应位置采用明显的永久性标志标示,并对需要破拆的消防救援口在设计容易破坏的位置标示破拆点。这些标志应具备良好的耐久性能、耐候性能、与消防救援口的结合牢固,在受到阳光、高温和低温、雨、雪、风、腐蚀性环境等的长期作用下不会脱落,不会产生明显褪色。
消防救援口应设置可在室内和室外识别的永久性明显标志,仅指设置消防救援口的标识,不是专用消防口处设置的疏散标志。
【依据】
《〈建筑防火通用规范〉GB55037-2022实施指南》。
41
【问题】
设置在消防电梯或疏散楼梯间前室内的非消防电梯,是否需要依据《建筑防火通用规范》GB55037-2022第7.1.13条,按消防电梯要求配置耐火电缆?
【答复】
《消防员电梯制造与安装安全规范》GB/T26465-2021在术语和定义章节中对消防电梯的“防火”性能的定义为:防止火灾发生和扩散的措施。目的是为了保护逃生路径,为有效的消防创造可能,包括确定建筑材料和结构在火灾发生时的耐火性、火灾荷载和性能。
《建筑防火通用规范》GB55037-2022第7.1.13条文说明中指出,普通客(货)电梯一般不具备防烟、防火、防水性能,电梯井在火灾时可能会成为加速火势蔓延扩大的通道,不能用于火灾时的人员疏散。为了防止非消防电梯在防烟、防火、防水等性能方面不符合消防电梯的要求,影响到消防电梯的安全使用,从而规定“非消防电梯本身的防火性能应符合消防电梯的要求”。很明显,给非消防电梯控制箱供电的电缆不属于2第7.1.13条中的“防火性能”之内。
因此,不用于火灾时辅助人员疏散的电梯(即此问题中的“非消防电梯”),其控制箱的供电线路可以不采用耐火电缆。火灾时用于辅助人员疏散的电梯,应符合《建筑防火通用规范》GB55037-2022第7.1.12条规定。
【依据】
《建筑防火通用规范》GB55037-2022第7.1.13条文说明。
《消防员电梯制造与安装安全规范》GB/T26465-2021。
42
【问题】
《建筑防火通用规范》GB55037-2022第2.2.10条规定,消防电梯电梯轿厢内部应设置专用消防对讲电话。该消防对讲电话在工程建设中如何实施?
【答复】
依据《消防员电梯制造与安装安全规范》GB/T26465-2021,消防电梯厂商应
配套提供交互式双向语音通信对讲系统,轿厢内配套设置通信装置。当该对讲系统主机设置在消防控制室内,且通信线路满足防火要求时,轿厢内的对讲通信装置满足《建筑防火通用规范》GB55037-2022第2.2.10-6条“电梯轿厢内部应设置专用消防对讲电话”的要求。
【依据】
《消防员电梯制造与安装安全规范》GB/T26465-2021。
点击查看:《消防设计案例分册V4.0》全文。
消防知识、消防器材、消防技术、消防法规的学习交流中心 --消防百事通--一起来关注 www.fire114.cn